Metal AM Research

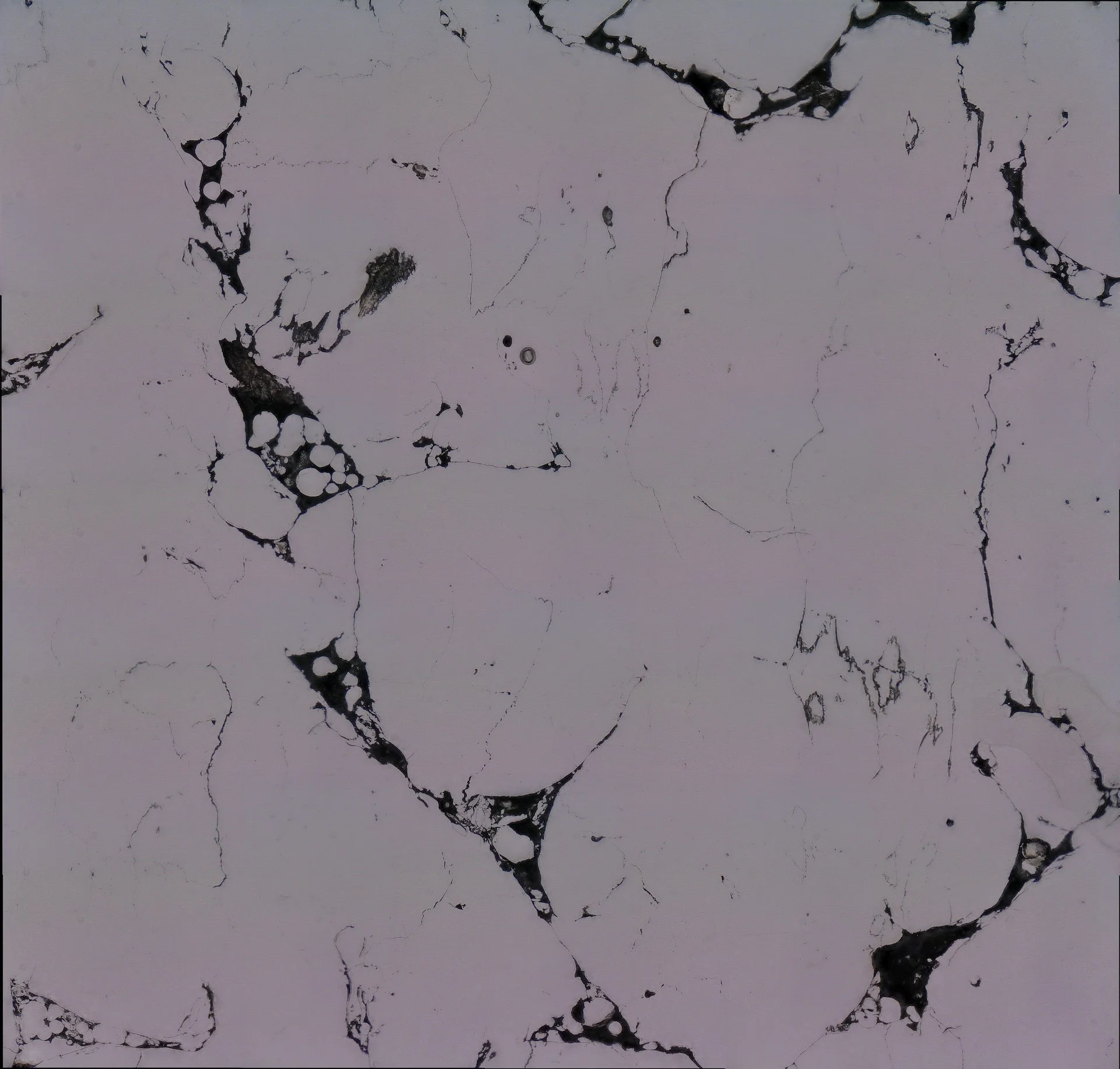
Analyzing 3D-printed aluminum samples from a Laser Powder Bed Fusion (LPBF) process to develop techniques for defect reduction and detection.

Design

Designing a sensor package to be buried under the ground at the base of dams and levees for monitoring and safety.

RESEARCH - NEW DESIGN

RESEARCH - ORIGINAL DESIGN

PROJECTS

An introduction to my passion project, “Exploring Electromagnets”. Here I demonstrate how I began creating electromagnets and how I have improved the process to make the electromagnets within seconds.

P1. Exploring Electromagnets

P2. Putting Electromagnets to good use.

A timeline which demonstrates the exploration of different applications for the electromagnets.

C.A.D. Creations